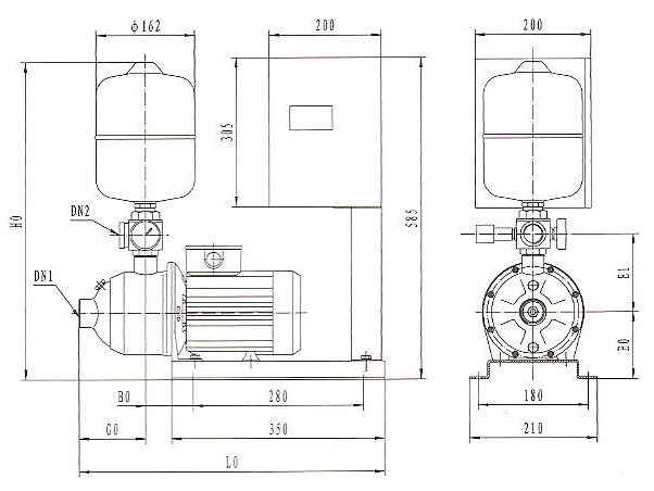
产品名称: 变频泵COR-1MHI202
  产品类别: 自动增压泵
  上传时间: 2010-1-28
  点击次数: 10466

WILO Booster MHI小型供水系统采用了交流变频调速技术及自动化控制技术相结合,构成了性能先进,合理可靠的自动控制产品;它主要用于供水设备中,作为增压系统可用于锅炉给水系统、工业水循环系统、冷却水系统、可用于灭火、冲洗和洒水装置中,最为主要的应用是小区别墅等的家庭供水系统。

 
技术特点
 
    内部采用特殊防腐镀层
    激磁阀和WaferType逆水阀分开装置,容易保养
    先进结构设计,实现最小振动和最低噪音
    采用高质量的控制板,实现稳定运转
    水泵自动运转,通过外面仪表可知道内部运转状况
    压力开关不直接与高压电源连接,因而延长使用寿命
    当控制面板发生故障时,水泵也可以正常运转

    具有自我保护功能




Copyrights WWW.TJWILO.COM 2009-2026.All Righte Reserved

免费热线:4006-022554 座 机:022-26795754 手 机:15122489859

技术支持:天津网站建设